LEMON Manuals: Even more car manuals for everyone: 1960-2025
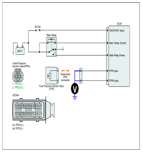
Home >> Hyundai >> 2014 >> Veloster Base, Standard Trans >> Repair and Diagnosis >> Engine Performance >> System >> Engine Control System Diagnosis (1 Of 2) - Non-Turbo >> DTC P0091: Fuel Pressure Regulator 1 Control Circuit Low >> W/Harness Inspection >> Control Circuit Inspection
April 5, 2026: LEMON Manuals is launched! Read the announcement.

Control Circuit Inspection