LEMON Manuals: Even more car manuals for everyone: 1960-2025
Home >> Hyundai >> 2014 >> Veloster Turbo, Automatic Trans >> Repair and Diagnosis >> Transmission >> Automatic Trans >> Automatic Transaxle Control System >> Transaxle Control Module (TCM) >> Schematic Diagrams >> Circuit Diagram
April 5, 2026: LEMON Manuals is launched! Read the announcement.

Circuit Diagram

Fig 1: ATM Solenoid Valve And TCM - Circuit Diagram (1 Of 2)
G09150593Courtesy of HYUNDAI MOTOR AMERICA
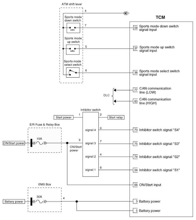
Fig 2: ATM Solenoid Valve And TCM - Circuit Diagram (2 Of 2)
G09150594Courtesy of HYUNDAI MOTOR AMERICA