LEMON Manuals: Even more car manuals for everyone: 1960-2025
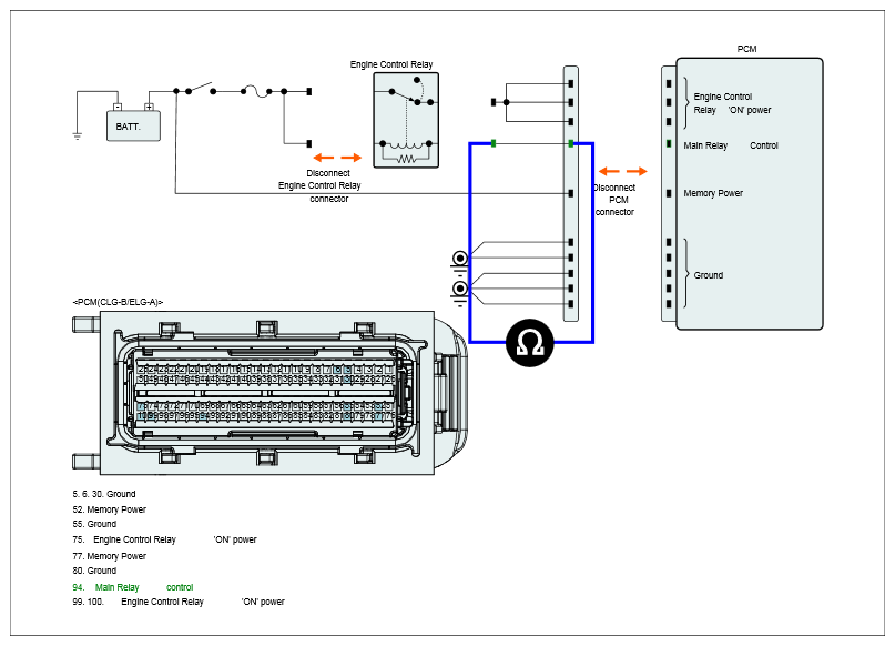
Home >> Hyundai >> 2015 >> Azera Base >> Repair and Diagnosis (Single Page) >> Engine Performance >> System >> Engine Control System Diagnosis (3 Of 3) >> DTC P0685: ECM/PCM Power Relay Control Circuit / Open >> W/Harness Inspection >> Control Circuit Inspection
April 5, 2026: LEMON Manuals is launched! Read the announcement.

Control Circuit Inspection