LEMON Manuals: Even more car manuals for everyone: 1960-2025
Home >> Hyundai >> 2015 >> Azera Base >> Repair and Diagnosis (Single Page) >> Transmission >> Transmission Control Systems >> Automatic Transaxle Control System >> Transaxle Control Module (TCM) >> Schematic Diagrams >> Circuit Diagram
April 5, 2026: LEMON Manuals is launched! Read the announcement.

Circuit Diagram

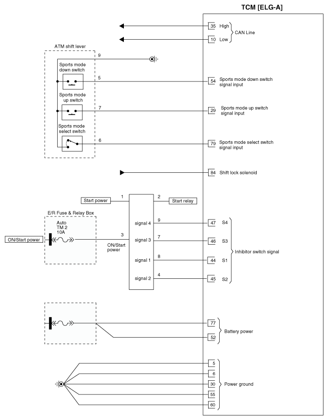
Fig 1: TCM - Circuit Diagram
G10367671Courtesy of HYUNDAI MOTOR AMERICA
Fig 2: ATM Solenoid Valve - Circuit Diagram
G10367672Courtesy of HYUNDAI MOTOR AMERICA