LEMON Manuals: Even more car manuals for everyone: 1960-2025
Home >> Hyundai >> 2015 >> Azera Base >> Repair and Diagnosis >> Engine Performance >> System >> Engine Control System Diagnosis (2 Of 3) >> DTC P0223: Throttle Position Sensor 2 Signal Circuit High Input >> Component Inspection
April 5, 2026: LEMON Manuals is launched! Read the announcement.

Component Inspection

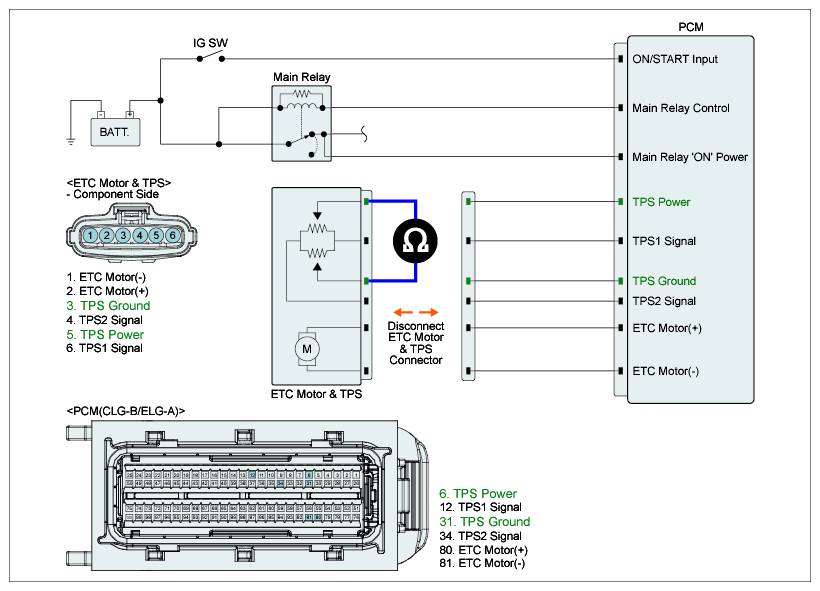
■ Check TPS resistance 

  1. IG "OFF" and disconnect ETC Motor & TPS connector.
  2. Measure resistance between TPS power and TPS ground terminals of ETC Motor & TPS connector. (component side)

    Specification:  1.6 ~ 2.4 kΩ

    Fig 1: Measuring Resistance Between TPS Power And TPS Ground Terminals Of ETC Motor & TPS Connector
    G10373242Courtesy of HYUNDAI MOTOR AMERICA
  3. Is the measured resistance within specification?

    YES 

    • Substitute with a known - good PCM and check for proper operation. If the problem is corrected, replace PCM and go to "VERIFICATION OF VEHICLE REPAIR " procedure.

    NO 

    • Substitute with a known - good ECT motor & TPS and check for proper operation. If the problem is corrected, replace ECT motor & TPS and go to "VERIFICATION OF VEHICLE REPAIR " procedure.

* Procedure of ETS Initialization

  1. Erase the trouble codes on PCM
  2. Turn the ignition key "OFF" until the main relay turns "OFF". (It will take about 10 sec.)
  3. Turn ignition key "ON" for more than 1 second to record the throttle motor position in the EEPROM