LEMON Manuals: Even more car manuals for everyone: 1960-2025
Home >> Hyundai >> 2015 >> Elantra Coupe GL, Automatic Trans >> Repair and Diagnosis >> Engine Performance >> System >> Engine Control System - 1.8L >> Engine Control Module (ECM) >> Schematic Diagrams >> Circuit Diagram >> (A/T)
April 5, 2026: LEMON Manuals is launched! Read the announcement.

Circuit Diagram: (A/T)

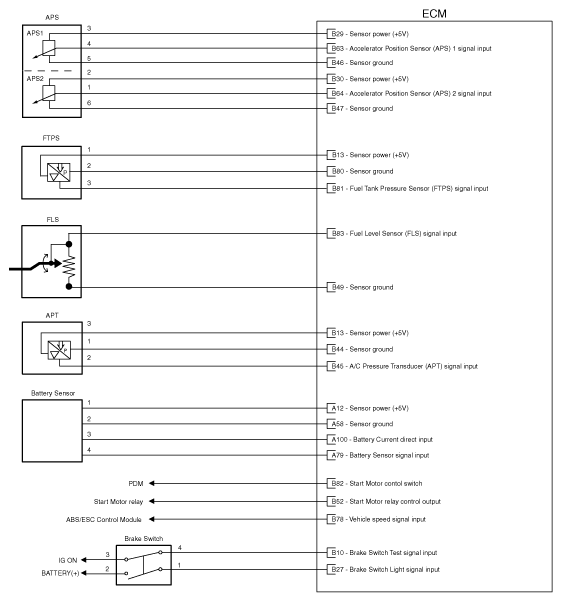
Fig 1: ECM Circuit Diagram (A/T; 1 Of 4)
G10548870Courtesy of HYUNDAI MOTOR AMERICA
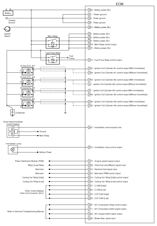
Fig 2: ECM Circuit Diagram (A/T; 2 Of 4)
G10548871Courtesy of HYUNDAI MOTOR AMERICA
Fig 3: ECM Circuit Diagram (A/T; 3 Of 4)
G10548872Courtesy of HYUNDAI MOTOR AMERICA
Fig 4: ECM Circuit Diagram (A/T; 4 Of 4)
G10548873Courtesy of HYUNDAI MOTOR AMERICA