LEMON Manuals: Even more car manuals for everyone: 1960-2025
Home >> Hyundai >> 2015 >> Elantra Limited >> Repair and Diagnosis >> Engine Performance >> Engine Control Systems >> Engine Control System - 1.8L >> Engine Control Module (ECM) >> Schematic Diagrams >> Circuit Diagram >> (M/T)
April 5, 2026: LEMON Manuals is launched! Read the announcement.

Circuit Diagram: (M/T)

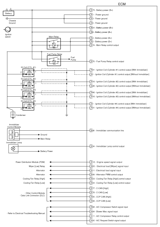
Fig 1: ECM - Circuit Diagram (M/T; 1 Of 4)
G10537635Courtesy of HYUNDAI MOTOR AMERICA
Fig 2: ECM - Circuit Diagram (M/T; 2 Of 4)
G10537636Courtesy of HYUNDAI MOTOR AMERICA
Fig 3: ECM - Circuit Diagram (M/T; 3 Of 4)
G10537637Courtesy of HYUNDAI MOTOR AMERICA
Fig 4: ECM - Circuit Diagram (M/T; 4 Of 4)
G10537638Courtesy of HYUNDAI MOTOR AMERICA