LEMON Manuals: Even more car manuals for everyone: 1960-2025
Home >> Hyundai >> 2015 >> Genesis 5.0 >> Repair and Diagnosis >> Engine Performance >> Engine Control Systems >> Engine Control System - 5.0L >> Engine Control Module (ECM) >> Schematic Diagrams >> Circuit Diagram
April 5, 2026: LEMON Manuals is launched! Read the announcement.

Circuit Diagram

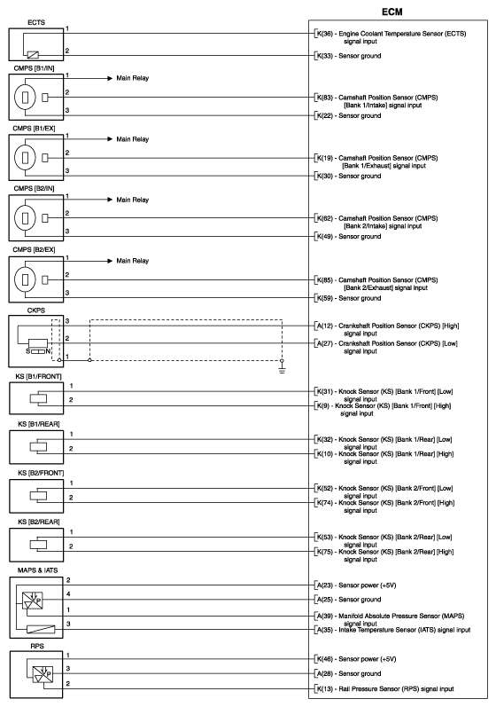
Fig 1: ECM - Circuit Diagram (1 Of 5)
G10465205Courtesy of HYUNDAI MOTOR AMERICA
Fig 2: ECM - Circuit Diagram (2 Of 5)
G10465206Courtesy of HYUNDAI MOTOR AMERICA
Fig 3: ECM - Circuit Diagram (3 Of 5)
G10465207Courtesy of HYUNDAI MOTOR AMERICA
Fig 4: ECM - Circuit Diagram (4 Of 5)
G10465208Courtesy of HYUNDAI MOTOR AMERICA
Fig 5: ECM - Circuit Diagram (5 Of 5)
G10465209Courtesy of HYUNDAI MOTOR AMERICA