LEMON Manuals: Even more car manuals for everyone: 1960-2025
Home >> Hyundai >> 2015 >> Tucson GLS, 4WD >> Repair and Diagnosis >> Engine Performance >> Engine Control Systems >> Engine Control System - 2.0L >> Engine Control Module (ECM) >> Schematic Diagrams >> ECM Terminal And Input/Output signal [M/T] >> ECM Terminal Input/Output Signal (A/T) >> Circuit Diagram
April 5, 2026: LEMON Manuals is launched! Read the announcement.

Circuit Diagram

(M/T) 

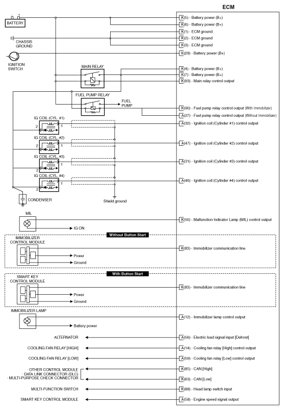
Fig 1: ECM Circuit Diagram (M/T) (1 Of 4)
G10611442Courtesy of HYUNDAI MOTOR AMERICA
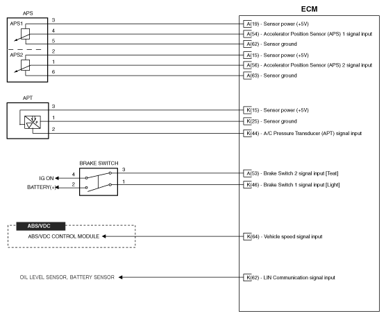
Fig 2: ECM Circuit Diagram (M/T) (2 Of 4)
G10611443Courtesy of HYUNDAI MOTOR AMERICA
Fig 3: ECM Circuit Diagram (M/T) (3 Of 4)
G10611444Courtesy of HYUNDAI MOTOR AMERICA
Fig 4: ECM Circuit Diagram (M/T) (4 Of 4)
G10611445Courtesy of HYUNDAI MOTOR AMERICA

(A/T) 

Fig 5: ECM Circuit Diagram (A/T) (1 Of 4)
G10611446Courtesy of HYUNDAI MOTOR AMERICA
Fig 6: ECM Circuit Diagram (A/T) (2 Of 4)
G10611447Courtesy of HYUNDAI MOTOR AMERICA
Fig 7: ECM Circuit Diagram (A/T) (3 Of 4)
G10611448Courtesy of HYUNDAI MOTOR AMERICA
Fig 8: ECM Circuit Diagram (A/T) (4 Of 4)
G10611449Courtesy of HYUNDAI MOTOR AMERICA