LEMON Manuals: Even more car manuals for everyone: 1960-2025
Home >> Hyundai >> 2015 >> Veloster RE:FLEX >> Repair and Diagnosis >> Engine Performance >> Engine Control Systems >> Engine Control System - 1.6L GDI >> Engine Control Module (ECM) >> Schematic Diagrams >> Circuit Diagram
April 5, 2026: LEMON Manuals is launched! Read the announcement.

Circuit Diagram

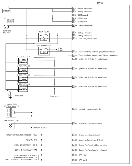
Fig 1: ECM Circuit Diagram (1 Of 4)
G10607901Courtesy of HYUNDAI MOTOR AMERICA
Fig 2: ECM Circuit Diagram (2 Of 4)
G10607902Courtesy of HYUNDAI MOTOR AMERICA
Fig 3: ECM Circuit Diagram (3 Of 4)
G10607903Courtesy of HYUNDAI MOTOR AMERICA
Fig 4: ECM Circuit Diagram (4 Of 4)
G10607904Courtesy of HYUNDAI MOTOR AMERICA