LEMON Manuals: Even more car manuals for everyone: 1960-2025
Home >> Hyundai >> 2016 >> Accent Sport, Automatic Trans >> Repair and Diagnosis >> Engine Performance >> Engine Control Systems >> Engine Control System >> Engine Control Module (ECM) >> Schematic Diagrams >> Circuit Diagram >> (A/T)
April 5, 2026: LEMON Manuals is launched! Read the announcement.

Circuit Diagram: (A/T)

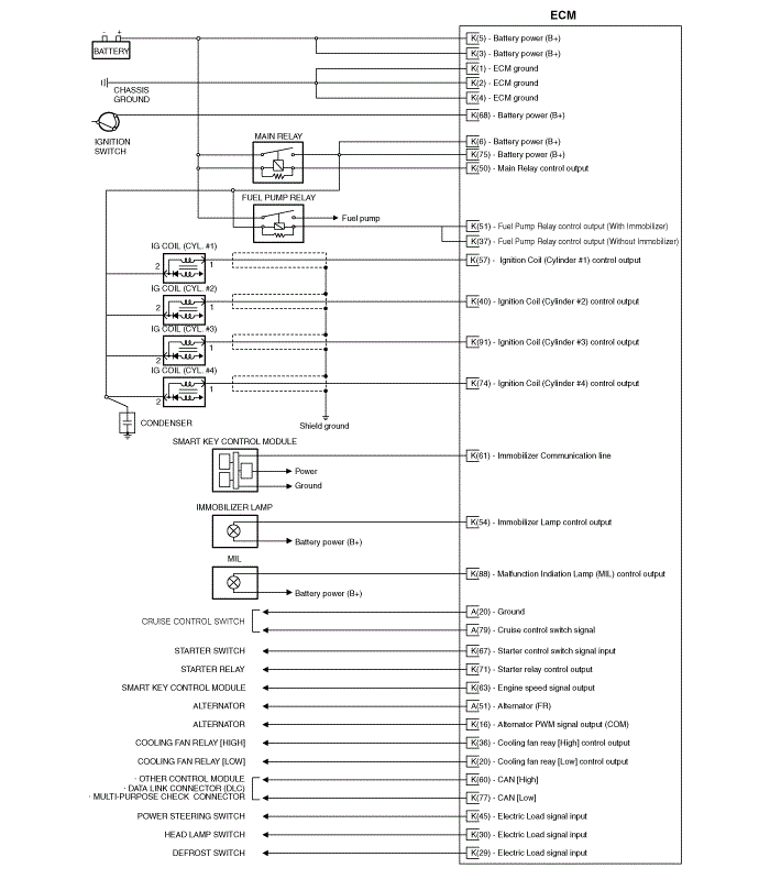
Fig 1: Engine Control Module Circuit Diagram (1 Of 4)
G00556636Courtesy of HYUNDAI MOTOR AMERICA
Fig 2: Engine Control Module Circuit Diagram (2 Of 4)
G00556637Courtesy of HYUNDAI MOTOR AMERICA
Fig 3: Engine Control Module Circuit Diagram (3 Of 4)
G00556638Courtesy of HYUNDAI MOTOR AMERICA
Fig 4: Engine Control Module Circuit Diagram (4 Of 4)
G00556639Courtesy of HYUNDAI MOTOR AMERICA