LEMON Manuals: Even more car manuals for everyone: 1960-2025
Home >> Hyundai >> 2016 >> Azera Base >> Repair and Diagnosis >> Body & Frame >> Windows >> Power Windows >> Power Window Switch >> Schematic Diagrams >> Circuit Diagram >> Driver Power Window Switch (2)
April 5, 2026: LEMON Manuals is launched! Read the announcement.

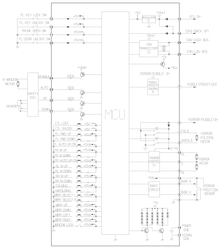
Driver Power Window Switch (2)

Fig 1: Driver Power Window Switch Circuit Diagram
G10369059Courtesy of HYUNDAI MOTOR AMERICA