LEMON Manuals: Even more car manuals for everyone: 1960-2025
Home >> Hyundai >> 2016 >> Azera Base >> Repair and Diagnosis >> Brakes >> Traction Control >> Electronic Stability Control (ESC) System >> Description And Operation >> Description Of ESC >> ESC Operation Mode >> Notes
April 5, 2026: LEMON Manuals is launched! Read the announcement.

ESC Operation Mode: Notes

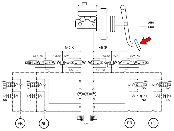
ESC Hydraulic System Diagram 

Fig 1: ESC Hydraulic System Diagram
G10368224Courtesy of HYUNDAI MOTOR AMERICA
  1. ESC Non-operation: Normal braking.
    Solenoid valve Continuity Valve Motor pump TC Valve
    IN (NO) OFF OPEN OFF OFF
    OUT (NC) OFF CLOSE
  2. ESC operation
    Solenoid valve Continuity Valve Motor pump TC Valve
    Understeering (Only inside of rear wheel) IN(NO) OFF OPEN ON ON
    OUT(NC) OFF CLOSE
    Oversteering (Only outside of front wheel) IN(NO) OFF OPEN
    OUT(NC) OFF CLOSE
Fig 2: ESC Warning Lamps Screen Display
G10368225Courtesy of HYUNDAI MOTOR AMERICA