LEMON Manuals: Even more car manuals for everyone: 1960-2025
Home >> Hyundai >> 2016 >> Elantra GT Automatic Trans >> Repair and Diagnosis >> Transmission >> Transmission Control Systems >> Manual Transaxle Control System >> Shift Lever >> Repair Procedures >> Removal
April 5, 2026: LEMON Manuals is launched! Read the announcement.

Repair Procedures: Removal

  1. Remove the floor Interior console assembly.

    (Refer to: Body - "FLOOR CONSOLE ").

  2. Remove the air duct (A).
    Fig 1: Identifying Air Duct
    G10750110Courtesy of HYUNDAI MOTOR AMERICA
  3. Remove the cover (A).
    Fig 2: Removing Cover
    G10750111Courtesy of HYUNDAI MOTOR AMERICA
  4. Remove the select cable (B) by removing the snap pin (A).
    Fig 3: Removing Snap Pin
    G10750112Courtesy of HYUNDAI MOTOR AMERICA
  5. Remove the shift cable (B) after removing the clip (A).
    Fig 4: Removing Shift Cable
    G10750113Courtesy of HYUNDAI MOTOR AMERICA
  6. Remove the cable guide (A) from lever assembly after pulling in the direction of the marker.
    Fig 5: Removing Cable Guide From Lever Assembly
    G10750114Courtesy of HYUNDAI MOTOR AMERICA
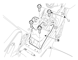
  7. Remove the shift lever assembly (B) by removing the bolts (A-4EA).

    Tightening Torque: 

    8.8 ~ 13.7 N.m (0.9 ~ 1.4 kgf.m, 6.5 ~ 10.1 lb-ft)

    Fig 6: Removing Shift Lever Assembly Bolts
    G10750115Courtesy of HYUNDAI MOTOR AMERICA
  8. Remove the boots (A) and knob (B) from the lever assembly.
    NOTE:
    • Rotating counter-clockwise shift lever knob (B).
    Fig 7: Rotating Counter-Clockwise Shift Lever Boots And Knob
    G10750116Courtesy of HYUNDAI MOTOR AMERICA
    Fig 8: Removing Lever Assembly
    G10750117Courtesy of HYUNDAI MOTOR AMERICA