LEMON Manuals: Even more car manuals for everyone: 1960-2025
Home >> Hyundai >> 2016 >> Elantra Value Edition >> Repair and Diagnosis (Single Page) >> Accessories & Equipment >> Communication Devices >> Body Control Module (BCM) >> Description and Operation >> Function >> Front Wiper Mist Function Wiper
April 5, 2026: LEMON Manuals is launched! Read the announcement.

Front Wiper Mist Function Wiper

Fig 1: Front Wiper Mist Function Wiper Block Diagram
G10530890Courtesy of HYUNDAI MOTOR AMERICA
  1. Function Description

    In case of IGN2 On (IGN2 ON), if turning on the Wiper Mist switch (Wiper Mist switch On), then Wiper is controlled, by switch on time. Mist operation does not work at Wiper Washer.

    Mist Switch On Time (TMist) Action
    TMist < 0sec No action
    0sec ≤ TMist < 0.7sec After "Mist Out Delay Time", turn on the Wiper Low Output for "One Wiping" Time (the remaining motor operation to reach wiper park position is done by electrical wiring)
    0.7sec ≤ TMist After "Mist Out Delay Time", turn on the Wiper Low Output and after Mist switch off, Wiper Low Output is Off immediately (the remaining motor operation to reach wiper park position is done by electrical wiring)
    Fig 2: Wiper Mist Switch ON Cycle Pattern
    G10530891Courtesy of HYUNDAI MOTOR AMERICA

    T1: One Wiping, T2: Mist One Time

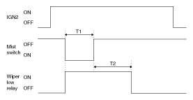
  2. Under IGN2 switch ON, Wiper LOW relay is turned ON immediately from Mist switch ON if Mist switch ON for more than T1, Wiper LOW relay is turned OFF after T2 from Mist switch OFF.
    Fig 3: Wiper Mist Switch ON Cycle Pattern
    G10530892Courtesy of HYUNDAI MOTOR AMERICA

    T1: 0.7s (Min), T2: 0.7s±0.1s