LEMON Manuals: Even more car manuals for everyone: 1960-2025
Home >> Hyundai >> 2016 >> Elantra Value Edition >> Repair and Diagnosis >> External Pages >> Different car >> Section 16 (Smart Key Unit System) >> Smart Key Unit >> Schematic Diagrams >> Circuit Diagram
April 5, 2026: LEMON Manuals is launched! Read the announcement.

Circuit Diagram

WARNING: This page is about a different car, the 2016 Hyundai Elantra GT and 2015 Hyundai Elantra GT. However, it is still accessible from the selected car via links, so may be relevant.
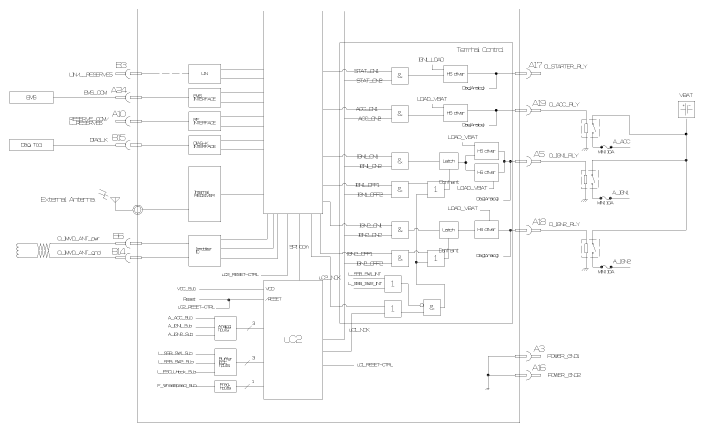
Fig 1: Smart Key Unit Circuit Diagram (1 Of 2)
G10751381Courtesy of HYUNDAI MOTOR AMERICA
Fig 2: Smart Key Unit Circuit Diagram (2 Of 2)
G10751382Courtesy of HYUNDAI MOTOR AMERICA