LEMON Manuals: Even more car manuals for everyone: 1960-2025
Home >> Hyundai >> 2016 >> Sonata Base >> Repair and Diagnosis (Single Page) >> Brakes >> Traction Control >> Electronic Stability Program (Esp) System (Except HEV) >> Electronic Stability Program (ESP) System >> Description and Operation >> ESP Operation Mode >> ESP Operation Mode >> Notes
April 5, 2026: LEMON Manuals is launched! Read the announcement.

ESP Operation Mode: Notes

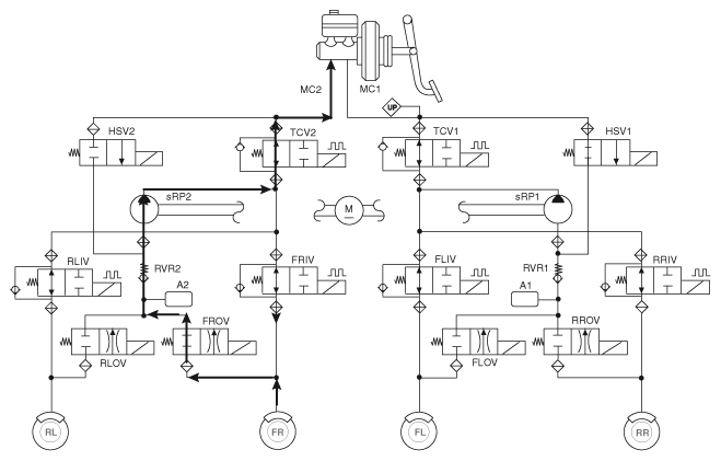
  1. ESP Non-operation-Normal braking.
      Inlet valve (IV) Outlet valve (OV) Traction Control Valve (TCV) High pressure switch valve (HSV) Return pump
    Normal braking Open Close Open Close OFF
    Fig 1: ESP Non-Operation-Normal Braking Diagram
    G10565515Courtesy of HYUNDAI MOTOR AMERICA
    NOTE: IV: Inlet Valve
    OV: Outlet Valve
    RL: Rear left wheel
    FR: Front right wheel
    FL: Front left wheel
    RR: Rear right wheel
    RP: Return pump
    TCV: Traction Control Valve
    HSV: High pressure Switch Valve
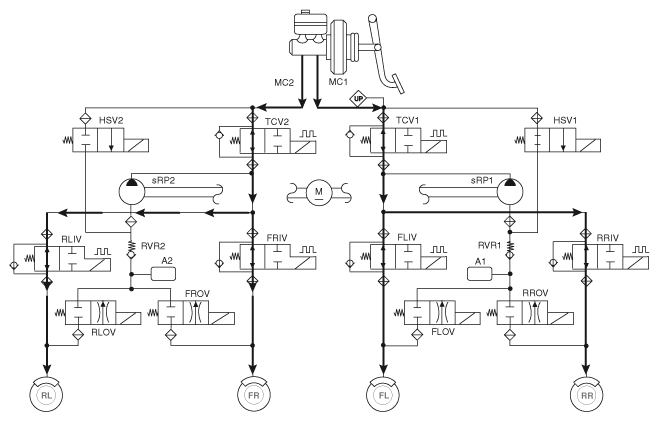
  2. ESP Increase Mode
      Inlet valve (IV) Outlet valve (OV) Traction Control Valve (TCV) High pressure switch valve (HSV) Return pump
    Normal braking Open Close Close (Partial) Open ON (Motor speed control)
    Fig 2: ESP Increase Mode Diagram
    G10565516Courtesy of HYUNDAI MOTOR AMERICA
    NOTE: IV: Inlet Valve
    OV: Outlet Valve
    RL: Rear left wheel
    FR: Front right wheel
    FL: Front left wheel
    RR: Rear right wheel
    RP: Return pump
    TCV: Traction Control Valve
    HSV: High pressure Switch Valve
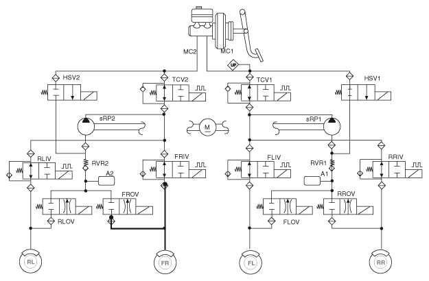
  3. ESP Hold Mode (FR is only controlled.)
      Inlet valve (IV) Outlet valve (OV) Traction Control Valve (TCV) High pressure switch valve (HSV) Return pump
    Normal braking Close Close Close (Partial) Open OFF
    Fig 3: ESP Hold Mode Diagram
    G10565517Courtesy of HYUNDAI MOTOR AMERICA
    NOTE: IV: Inlet Valve
    OV: Outlet Valve
    RL: Rear left wheel
    FR: Front right wheel
    FL: Front left wheel
    RR: Rear right wheel
    RP: Return pump
    TCV: Traction Control Valve
    HSV: High pressure Switch Valve
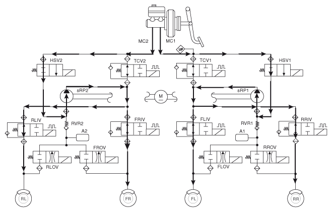
  4. ESP Decrease Mode (FR is only controlled)
      Inlet valve (IV) Outlet valve (OV) Traction Control Valve (TCV) High pressure switch valve (HSV) Return pump
    Normal braking Close Open Close (Partial) Open ON (Motor Speed Low Control)
    Fig 4: ESP Decrease Mode Diagram
    G10565518Courtesy of HYUNDAI MOTOR AMERICA
    NOTE: IV: Inlet Valve
    OV: Outlet Valve
    RL: Rear left wheel
    FR: Front right wheel
    FL: Front left wheel
    RR: Rear right wheel
    RP: Return pump
    TCV: Traction Control Valve
    HSV: High pressure Switch Valve
    Fig 5: Identifying ABS Warning Lamp
    G10565519Courtesy of HYUNDAI MOTOR AMERICA