LEMON Manuals: Even more car manuals for everyone: 1960-2025
Home >> Hyundai >> 2017 >> Azera Base >> Repair and Diagnosis >> Accessories & Equipment >> Memory Modules >> Integrated Memory System (IMS) >> IMS Power Seat Control >> Schematic Diagrams >> Circuit Diagram
April 5, 2026: LEMON Manuals is launched! Read the announcement.

Circuit Diagram

Fig 1: IMS Power Seat Control Connector Terminals
G12091861Courtesy of HYUNDAI MOTOR AMERICA
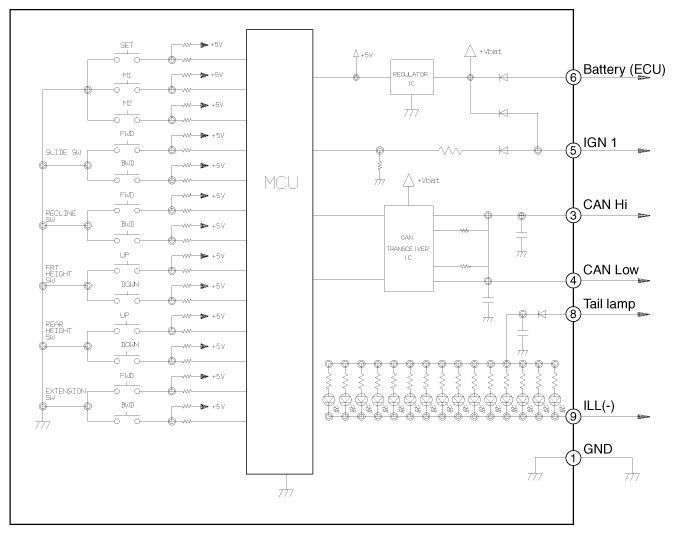
Fig 2: IMS Power Seat Control Circuit Diagram
G12091862Courtesy of HYUNDAI MOTOR AMERICA