LEMON Manuals: Even more car manuals for everyone: 1960-2025
Home >> Hyundai >> 2017 >> Azera Base >> Repair and Diagnosis >> Body & Frame >> Door Locks >> Smart Key System >> Smart Key Unit >> Schematic Diagrams >> Circuit Diagram
April 5, 2026: LEMON Manuals is launched! Read the announcement.

Circuit Diagram

Fig 1: Smart Key Unit Circuit (1 Of 2)
G12091760Courtesy of HYUNDAI MOTOR AMERICA
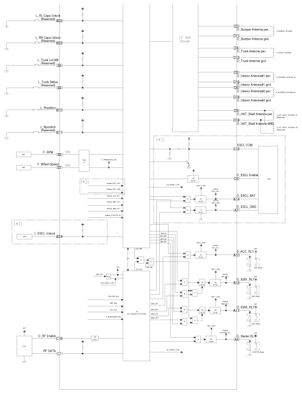
Fig 2: Smart Key Unit Circuit (2 Of 2)
G12091761Courtesy of HYUNDAI MOTOR AMERICA