LEMON Manuals: Even more car manuals for everyone: 1960-2025
Home >> Hyundai >> 2017 >> Azera Base >> Repair and Diagnosis >> Engine Performance >> System >> Engine Control System Diagnosis (1 Of 3) >> DTC P0123: Throttle Position Sensor 1 Signal Circuit High Input >> W/Harness Inspection >> Signal Circuit Inspection
April 5, 2026: LEMON Manuals is launched! Read the announcement.

Signal Circuit Inspection

■ Check voltage 

  1. IG "OFF" and disconnect ETC Motor & TPS connector.
  2. IG "ON".
  3. Measure voltage between TPS1 signal terminal of ETC Motor & TPS harness connector and chassis ground.

    Specification:  Approx. 5V

    Fig 1: Measuring Voltage Between TPS1 Signal Terminal Of ETC Motor & TPS Harness Connector And Chassis Ground
    G12087587Courtesy of HYUNDAI MOTOR AMERICA
  4. Is the measured voltage within specification?

    YES 

    • Go to "Check open in harness" as follows.

    NO 

    • Go to "Check short to battery in harness" as follows.

■ Check open in harness 

  1. IG "OFF" and disconnect ETC Motor & TPS connector and PCM connector.
  2. Measure resistance between TPS1 signal terminal of ETC Motor & TPS harness connector and TPS1 signal terminal of PCM harness connector.

    Specification:  Below 1Ω.

    Fig 2: Measuring Resistance Between TPS1 Signal Terminal Of ETC Motor & TPS Harness Connector And TPS1 Signal Terminal Of PCM Harness Connector
    G12087588Courtesy of HYUNDAI MOTOR AMERICA
  3. Is the measured resistance within specification?

    YES 

    NO 

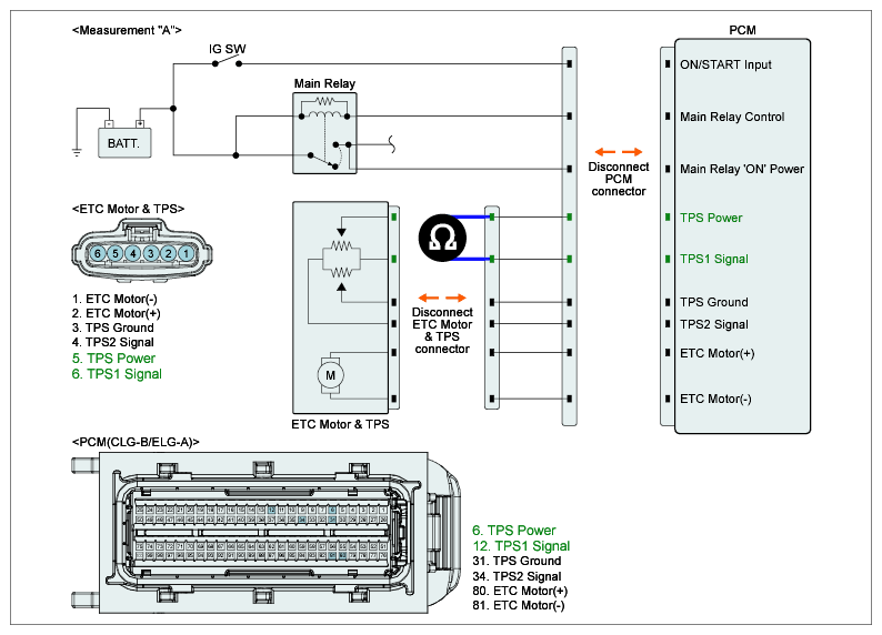
■ Check short to battery in harness 

  1. IG "OFF" and disconnect ETC Motor & TPS connector and PCM connector.
  2. Measure resistance between TPS1 signal and TPS power terminals of ETC Motor & TPS harness connector. (Measurement "A")
  3. Measure resistance between TPS1 signal and ETC motor (+) terminals of ETC Motor & TPS harness connector. (Measurement "B")
  4. Measure resistance between TPS1 signal and ETC motor (-) terminals of ETC Motor & TPS harness connector. (Measurement "B")

    Specification:  Infinite

    Fig 3: Measuring Resistance Between TPS1 Signal And TPS Power Terminals Of ETC Motor & TPS Harness Connector (Measurement A)
    G12087589Courtesy of HYUNDAI MOTOR AMERICA
    Fig 4: Measuring Resistance Between TPS1 Signal And ETC Motor (+) Terminals Of ETC Motor & TPS Harness Connector (Measurement B)
    G12087590Courtesy of HYUNDAI MOTOR AMERICA
  5. Is the measured resistance within specification?

    YES 

    NO