LEMON Manuals: Even more car manuals for everyone: 1960-2025
Home >> Hyundai >> 2017 >> Azera Base >> Repair and Diagnosis >> Transmission >> Transmission Control Systems >> Automatic Transaxle Control System >> Transaxle Control Module (TCM) >> Schematic Diagrams >> Circuit Diagram
April 5, 2026: LEMON Manuals is launched! Read the announcement.

Circuit Diagram

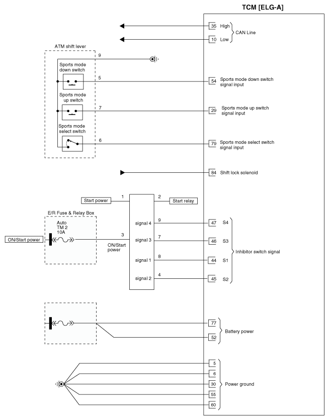
Fig 1: TCM Circuit (1 Of 2)
G12088705Courtesy of HYUNDAI MOTOR AMERICA
Fig 2: TCM Circuit (2 Of 2)
G12088706Courtesy of HYUNDAI MOTOR AMERICA