LEMON Manuals: Even more car manuals for everyone: 1960-2025
Home >> Hyundai >> 2017 >> Elantra Value Edition >> Repair and Diagnosis >> Body & Frame >> Windows >> Power Windows >> Power Window Switch >> Components And Components Location >> Components >> [Rear Power Window Switch]
April 5, 2026: LEMON Manuals is launched! Read the announcement.

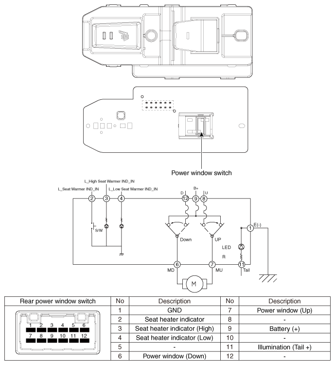
[Rear Power Window Switch]

Fig 1: Rear Power Window Switch Circuit Diagram And Connector Terminals
G12023608Courtesy of HYUNDAI MOTOR AMERICA