LEMON Manuals: Even more car manuals for everyone: 1960-2025
Home >> Hyundai >> 2017 >> Santa Fe SE, AWD >> Repair and Diagnosis >> Electrical >> Starter >> Button Engine Start System >> Button Engine Start System >> Schematic Diagrams >> Circuit Diagram
April 5, 2026: LEMON Manuals is launched! Read the announcement.

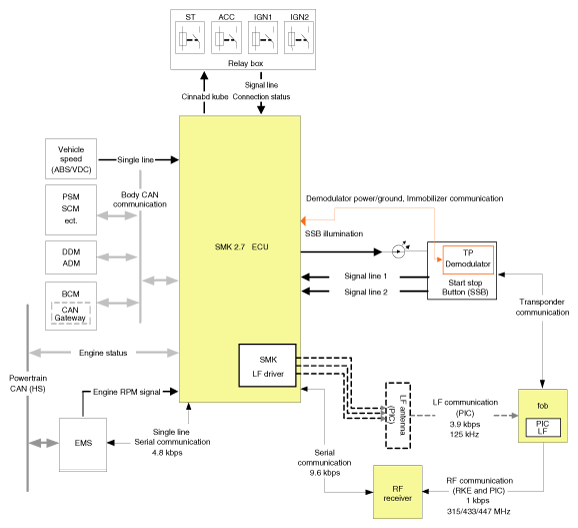
Circuit Diagram

Fig 1: Button Engine Start System Diagram (1 Of 2))
G12036464Courtesy of HYUNDAI MOTOR AMERICA
Fig 2: Button Engine Start System Diagram (2 Of 2)
G12036465Courtesy of HYUNDAI MOTOR AMERICA