LEMON Manuals: Even more car manuals for everyone: 1960-2025
Home >> Hyundai >> 2017 >> Santa Fe XL Base >> Repair and Diagnosis >> Body & Frame >> Door Locks >> Smart Key System >> Smart Key Unit >> Repair Procedures >> Removal >> RF Receiver
April 5, 2026: LEMON Manuals is launched! Read the announcement.

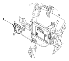
RF Receiver

NOTE: Take care not to scratch the crash pad and related parts.
  1. Disconnect the negative (-) battery terminal.
  2. Remove the crash pad center panel.

    (Refer to "CRASH PAD CENTER PANEL ")

  3. Remove the RF receiver after loosening the mounting nut (1EA) and disconnecting the connector.
G12037419Courtesy of HYUNDAI MOTOR AMERICA