LEMON Manuals: Even more car manuals for everyone: 1960-2025
Home >> Hyundai >> 2017 >> Sonata Base >> Repair and Diagnosis >> External Pages >> Different car >> Section 211 (Engine Control System) >> Engine Control Module (ECM) >> Schematic Diagrams >> Circuit Diagram >> (A/T)
April 5, 2026: LEMON Manuals is launched! Read the announcement.

Circuit Diagram: (A/T)

WARNING: This page is about a different car, the 2016 Hyundai Elantra GT and 2015 Hyundai Elantra GT. However, it is still accessible from the selected car via links, so may be relevant.
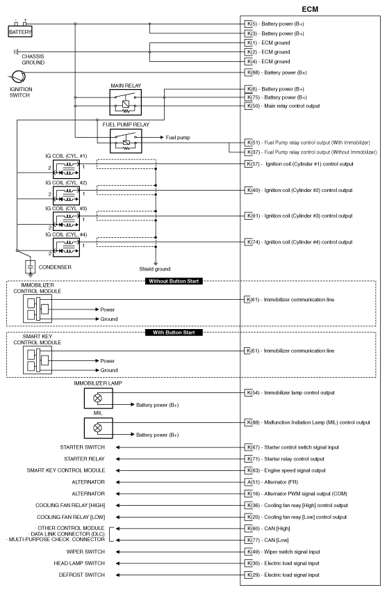
Fig 1: ECM Circuit Diagram (A/T) (1 Of 4)
G10749839Courtesy of HYUNDAI MOTOR AMERICA
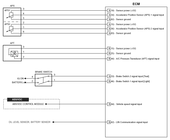
Fig 2: ECM Circuit Diagram (A/T) (2 Of 4)
G10749840Courtesy of HYUNDAI MOTOR AMERICA
Fig 3: ECM Circuit Diagram (A/T) (3 Of 4)
G10749841Courtesy of HYUNDAI MOTOR AMERICA
Fig 4: ECM Circuit Diagram (A/T) (4 Of 4)
G10749842Courtesy of HYUNDAI MOTOR AMERICA