LEMON Manuals: Even more car manuals for everyone: 1960-2025
Home >> Hyundai >> 2017 >> Sonata Plug-In Hybrid >> Repair and Diagnosis >> Body & Frame >> Windows >> Power Windows (PHEV) >> Power Window Switch >> Schematic Diagrams >> Circuit Diagram >> Assist Power Window Switch >> Assist Power Window Module (IMS, Safety)
April 5, 2026: LEMON Manuals is launched! Read the announcement.

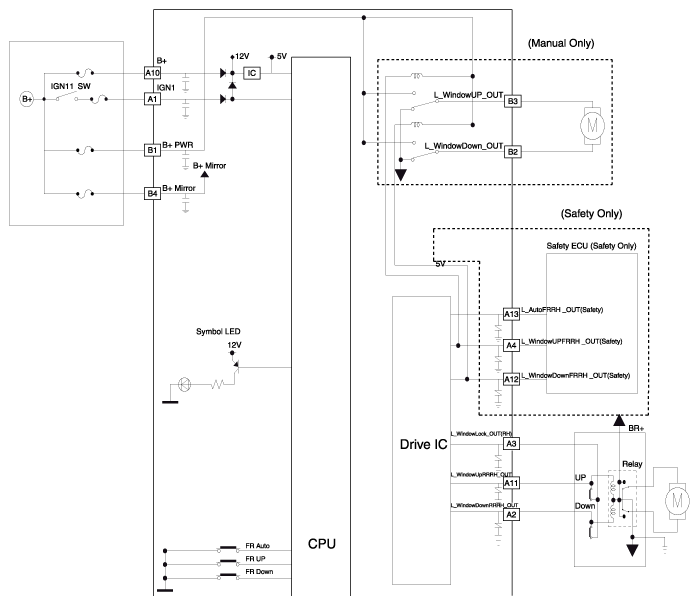
Assist Power Window Module (IMS, Safety)

Fig 1: Assist Power Window Module (IMS, Safety) Circuit Diagram (1 Of 2)
G11633113Courtesy of HYUNDAI MOTOR AMERICA
Fig 2: Assist Power Window Module (IMS, Safety) Circuit Diagram (2 Of 2)
G11633114Courtesy of HYUNDAI MOTOR AMERICA