LEMON Manuals: Even more car manuals for everyone: 1960-2025
Home >> Hyundai >> 2017 >> Sonata Plug-In Hybrid >> Repair and Diagnosis >> Body & Frame >> Windows >> Power Windows (PHEV) >> Power Window Switch >> Schematic Diagrams >> Circuit Diagram >> Driver Power Window Switch >> Driver Power Window Module (IMS, Front Safety)
April 5, 2026: LEMON Manuals is launched! Read the announcement.

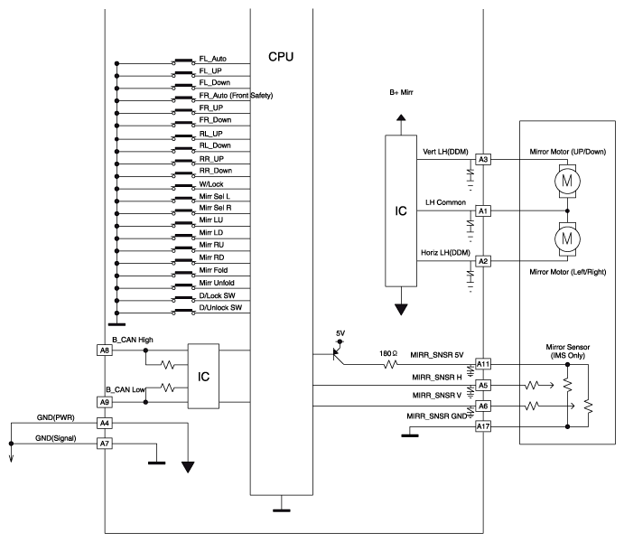
Driver Power Window Module (IMS, Front Safety)

Fig 1: Driver Power Window Module (IMS, Front Safety) Circuit Diagram (1 Of 2)
G11633109Courtesy of HYUNDAI MOTOR AMERICA
Fig 2: Driver Power Window Module (IMS, Front Safety) Circuit Diagram (2 Of 2)
G11633110Courtesy of HYUNDAI MOTOR AMERICA