LEMON Manuals: Even more car manuals for everyone: 1960-2025
Home >> Hyundai >> 2017 >> Veloster Base, Standard Trans >> Repair and Diagnosis (Single Page) >> Engine Performance >> Engine Control Systems >> Engine Control System - 1.6L GDI >> Engine Control Module (ECM) >> Schematic Diagrams >> Circuit Diagram
April 5, 2026: LEMON Manuals is launched! Read the announcement.

Circuit Diagram

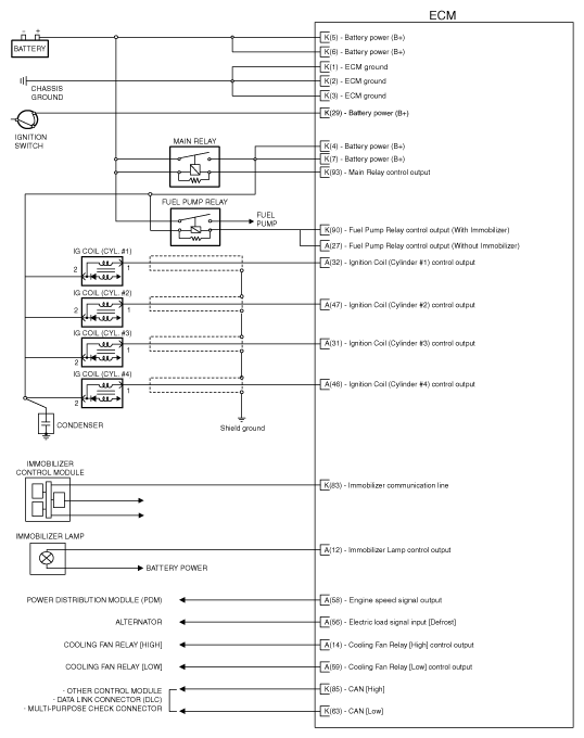
Fig 1: Engine Control Module Circuit (1 Of 4)
G12129380Courtesy of HYUNDAI MOTOR AMERICA
Fig 2: Engine Control Module Circuit (2 Of 4)
G12129381Courtesy of HYUNDAI MOTOR AMERICA
Fig 3: Engine Control Module Circuit (3 Of 4)
G12129382Courtesy of HYUNDAI MOTOR AMERICA
Fig 4: Engine Control Module Circuit (4 Of 4)
G12129383Courtesy of HYUNDAI MOTOR AMERICA