LEMON Manuals: Even more car manuals for everyone: 1960-2025
Home >> Hyundai >> 2017 >> Veloster Base, Standard Trans >> Repair and Diagnosis >> Body & Frame >> Door Locks >> Smart Key System >> Smart Key Unit >> Schematic Diagrams >> Circuit Diagram
April 5, 2026: LEMON Manuals is launched! Read the announcement.

Circuit Diagram

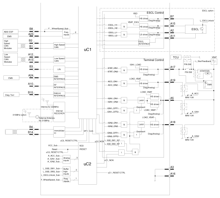
Fig 1: Smart Key Unit Circuit Diagram (1 Of 2)
G12126251Courtesy of HYUNDAI MOTOR AMERICA
Fig 2: Smart Key Unit Circuit Diagram (2 Of 2)
G12126252Courtesy of HYUNDAI MOTOR AMERICA