LEMON Manuals: Even more car manuals for everyone: 1960-2025
Home >> Hyundai >> 2017 >> Veloster Turbo, Automatic DCT Trans >> Repair and Diagnosis >> Engine Performance >> Engine Control Systems >> Engine Control System - 1.6L T-GDI >> Engine Control Module (ECM) >> Schematic Diagrams >> ECM Terminal And Input/Output Signal [A/T] >> Circuit Diagram >> A/T
April 5, 2026: LEMON Manuals is launched! Read the announcement.

Circuit Diagram: A/T

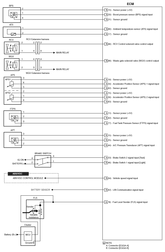
Fig 1: Engine Control Module Circuit Diagram - A/T (1 Of 4)
G12124756Courtesy of HYUNDAI MOTOR AMERICA
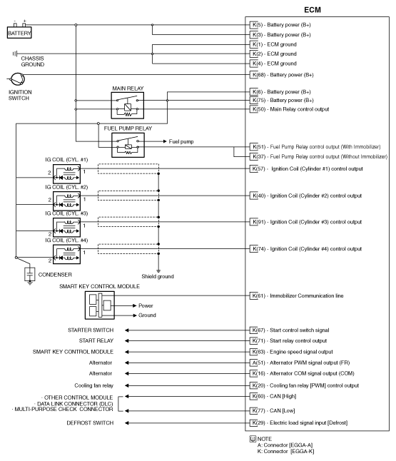
Fig 2: Engine Control Module Circuit Diagram - A/T (2 Of 4)
G12124757Courtesy of HYUNDAI MOTOR AMERICA
Fig 3: Engine Control Module Circuit Diagram - A/T (3 Of 4)
G12124758Courtesy of HYUNDAI MOTOR AMERICA
Fig 4: Engine Control Module Circuit Diagram - A/T (4 Of 4)
G12124759Courtesy of HYUNDAI MOTOR AMERICA