LEMON Manuals: Even more car manuals for everyone: 1960-2025
Home >> Hyundai >> 2018 >> Elantra Value Edition >> Repair and Diagnosis >> External Pages >> Different car >> Section 194 (Smart Key System) >> Smart Key Unit >> Schematic Diagrams >> Circuit Diagram
April 5, 2026: LEMON Manuals is launched! Read the announcement.

Circuit Diagram

WARNING: This page is about a different car, the 2017 Hyundai Elantra. However, it is still accessible from the selected car via links, so may be relevant.
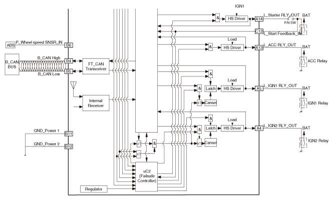
Fig 1: Smart Key Unit Circuit (1 Of 2)
G12023353Courtesy of HYUNDAI MOTOR AMERICA
Fig 2: Smart Key Unit Circuit (2 Of 2)
G12023354Courtesy of HYUNDAI MOTOR AMERICA