LEMON Manuals: Even more car manuals for everyone: 1960-2025
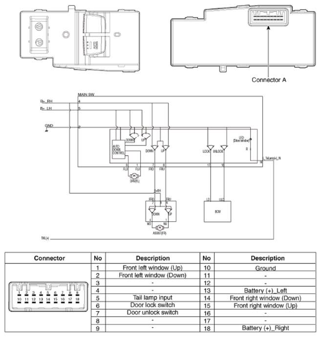
Home >> Hyundai >> 2019 >> Accent SE, Automatic Trans >> Repair and Diagnosis >> Body & Frame >> Windows >> Power Windows >> Power Window Switch >> Schematic Diagrams >> Circuit Diagram >> Main Power Window Switch (Front, Driver Auto Down)
April 5, 2026: LEMON Manuals is launched! Read the announcement.

Main Power Window Switch (Front, Driver Auto Down)

G12597760Courtesy of HYUNDAI MOTOR AMERICA