LEMON Manuals: Even more car manuals for everyone: 1960-2025
Home >> Hyundai >> 2019 >> Elantra GT N Line, Standard Trans >> Repair and Diagnosis >> Engine Performance >> Engine Control Systems >> Engine Control/Fuel System - General Information - 1.6L >> Troubleshooting >> Basic Troubleshooting >> Electrical Circuit Inspection Procedure
April 5, 2026: LEMON Manuals is launched! Read the announcement.

Electrical Circuit Inspection Procedure

• Check Open Circuit

  1. Procedures for Open Circuit
    • Continuity Check
    • Voltage Check

    If an open circuit occurs (as seen in [Figure below]), it can be found by performing Step 2 (Continuity Check Method) or Step  3 (Voltage Check Method) as shown below.

    G13015531Courtesy of HYUNDAI MOTOR AMERICA
  2. Continuity Check Method
    NOTE:
    • When measuring for resistance, lightly shake the wire harness above and below or from side to side.

    Specification (Resistance) 

    1Ω or less → Normal Circuit

    1MΩ or Higher → Open Circuit

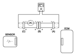
    1. Disconnect connectors (A), (C) and measure resistance between connector (A) and (C) as shown in [Figure below].

      In [Figure below] the measured resistance of line 1 and 2 is higher than 1MΩ and below 1Ω respectively. Specifically the open circuit is line 1 (Line 2 is normal). To find exact break point, check sub line of line 1 as described in next step.

      G13015532Courtesy of HYUNDAI MOTOR AMERICA
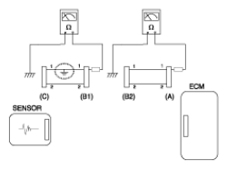
    2. Disconnect connector (B), and measure for resistance between connector (C) and (B1) and between (B2) and (A) as shown in [Figure below].

      In this case the measured resistance between connector (C) and (B1) is higher than 1MΩ and the open circuit is between terminal 1 of connector (C) and terminal 1 of connector (B1).

    G13015533Courtesy of HYUNDAI MOTOR AMERICA
  3. Voltage Check Method
    1. With each connector still connected, measure the voltage between the chassis ground and terminal 1 of each connectors (A), (B) and (C) as shown in [Figure below].

      The measured voltage of each connector is 5V, 5V and 0V respectively. So the open circuit is between connector (C) and (B).

G13015534Courtesy of HYUNDAI MOTOR AMERICA

• Check Short Circuit 

  1. Test Method for Short to Ground Circuit
    • Continuity Check with Chassis Ground

    If short to ground circuit occurs as shown in [Figure below], the broken point can be found by performing Step 2 (Continuity Check Method with Chassis Ground) as shown below.

    G13015535Courtesy of HYUNDAI MOTOR AMERICA
  2. Continuity Check Method (with Chassis Ground)
    NOTE:
    • Lightly shake the wire harness above and below, or from side to side when measuring the resistance.

    Specification (Resistance) 

    1Ω or less → Short to Ground Circuit

    1MΩ or Higher → Normal Circuit

    1. Disconnect connectors (A), (C) and measure for resistance between connector (A) and Chassis Ground as shown in [Figure below]. The measured resistance of line 1 and 2 in this example is below 1Ω and higher than 1MΩ respectively. Specifically the short to ground circuit is line 1 (Line 2 is normal). To find exact broken point, check the sub line of line 1 as described in the following step.
      G13015536Courtesy of HYUNDAI MOTOR AMERICA
    2. Disconnect connector (B), and measure the resistance between connector (A) and chassis ground, and between (B1) and chassis ground as shown in [Figure below].

      The measured resistance between connector (B1) and chassis ground is 1Ω or less. The short to ground circuit is between terminal 1 of connector (C) and terminal 1 of connector (B1).

G13015537Courtesy of HYUNDAI MOTOR AMERICA

• Testing For Voltage Drop 

This test checks for voltage drop along a wire, or through a connection or switch.

  1. Connect the positive lead of a voltmeter to the end of the wire (or to the side of the connector or switch) closest to the battery.
  2. Connect the negative lead to the other end of the wire. (or the other side of the connector or switch)
  3. Operate the circuit.
  4. The voltmeter will show the difference in voltage between the two points. A difference, or drop of more than 0.1 volts (50 mV in 5V circuits), may indicate a problem. Check the circuit for loose or dirty connections.
G13015538Courtesy of HYUNDAI MOTOR AMERICA