LEMON Manuals: Even more car manuals for everyone: 1960-2025
Home >> Hyundai >> 2019 >> Elantra Limited >> Repair and Diagnosis >> Transmission >> Transmission Control Systems >> Automatic Transaxle Control System - 2.0L >> Transaxle Control Module (TCM) >> Schematic Diagrams >> Circuit Diagram >> [Inhibitor Switch]
April 5, 2026: LEMON Manuals is launched! Read the announcement.

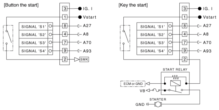
[Inhibitor Switch]

G12981183Courtesy of HYUNDAI MOTOR AMERICA