LEMON Manuals: Even more car manuals for everyone: 1960-2025
Home >> Hyundai >> 2020 >> Santa Fe SE, AWD >> Repair and Diagnosis >> Engine Performance >> Engine Control Systems >> Engine Control/Fuel System - General Information - 2.4L >> Troubleshooting >> Basic Troubleshooting >> Electrical Circuit Inspection Procedure >> Notes
April 5, 2026: LEMON Manuals is launched! Read the announcement.

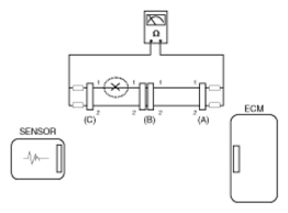
Electrical Circuit Inspection Procedure: Notes