LEMON Manuals: Even more car manuals for everyone: 1960-2025
Home >> Hyundai >> 2021 >> Kona SEL Plus, FWD >> Repair and Diagnosis >> Transmission >> Transmission Control Systems >> Automatic Transaxle Control System - 2.0L >> Transaxle Control Module (TCM) >> Schematic Diagrams >> Circuit Diagram >> Inhibitor Switch
April 5, 2026: LEMON Manuals is launched! Read the announcement.

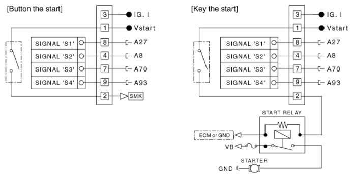
Inhibitor Switch

G12607198Courtesy of HYUNDAI MOTOR AMERICA