LEMON Manuals: Even more car manuals for everyone: 1960-2025
Home >> Hyundai >> 2021 >> Tucson Value, FWD >> Repair and Diagnosis (Single Page) >> Accessories & Equipment >> Entertainment Systems >> Audio/Video/Navigation (AVN) System >> AVN Remote Controller >> Schematic Diagrams >> Circuit Diagram >> Notes
April 5, 2026: LEMON Manuals is launched! Read the announcement.

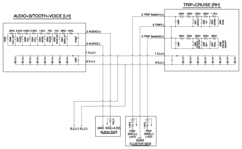
Circuit Diagram: Notes

G13030178Courtesy of HYUNDAI MOTOR AMERICA