LEMON Manuals: Even more car manuals for everyone: 1960-2025
Home >> Hyundai >> 2021 >> Veloster 2.0, Automatic Trans >> Repair and Diagnosis >> Engine Performance >> Engine Control Systems >> Engine Control/Fuel System - General Information - 2.0L >> Troubleshooting >> Basic Troubleshooting >> Electrical Circuit Inspection Procedure >> Notes
April 5, 2026: LEMON Manuals is launched! Read the announcement.

Electrical Circuit Inspection Procedure: Notes

  1. Procedures for Open Circuit
    • Continuity Check
    • Voltage Check

    If an open circuit occurs (as seen in [Figure below]), it can be found by performing Step 2 (Continuity Check Method) or Step  b (Voltage Check Method) as shown below.

    G13055496Courtesy of HYUNDAI MOTOR AMERICA
  2. Continuity Check Method
    NOTE:
    • When measuring for resistance, lightly shake the wire harness above and below or from side to side.

    Specification (Resistance) 

    1Ω or less → Normal Circuit

    1MΩ or Higher → Open Circuit

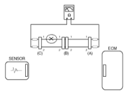
    1. Disconnect connectors (A), (C) and measure resistance between connector (A) and (C) as shown in [Figure below].

      In [Figure below] the measured resistance of line 1 and 2 is higher than 1MΩ and below 1Ω respectively. Specifically the open circuit is line 1 (Line 2 is normal). To find exact break point, check sub line of line 1 as described in next step.

      G13055497Courtesy of HYUNDAI MOTOR AMERICA
    2. Disconnect connector (B), and measure for resistance between connector (C) and (B1) and between (B2) and (A) as shown in [Figure below].

      In this case the measured resistance between connector (C) and (B1) is higher than 1MΩ and the open circuit is between terminal 1 of connector (C) and terminal 1 of connector (B1).

    G13055498Courtesy of HYUNDAI MOTOR AMERICA
  3. Voltage Check Method
    1. With each connector still connected, measure the voltage between the chassis ground and terminal 1 of each connectors (A), (B) and (C) as shown in [Figure below].

      The measured voltage of each connector is 5V, 5V and 0V respectively. So the open circuit is between connector (C) and (B).

    G13055499Courtesy of HYUNDAI MOTOR AMERICA