LEMON Manuals: Even more car manuals for everyone: 1960-2025
Home >> Hyundai >> 2024 >> Kona N Line, FWD >> Repair and Diagnosis >> Engine Performance >> Engine Control Systems >> Engine Control System - 1.6 >> Knock Sensor (KS) >> Schematic Diagrams >> Circuit Diagram >> Notes
April 5, 2026: LEMON Manuals is launched! Read the announcement.

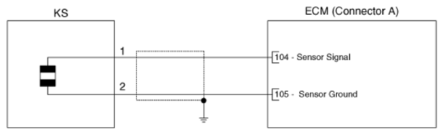
Circuit Diagram: Notes

G16545623Courtesy of HYUNDAI MOTOR AMERICA