LEMON Manuals: Even more car manuals for everyone: 1960-2025
Home >> Infiniti >> 1990 >> Q45 >> Repair and Diagnosis >> Engine Performance >> System >> Engine Controls - Tests W/Codes >> Code 21: Ignition Signal Circuit (Q45)
April 5, 2026: LEMON Manuals is launched! Read the announcement.

Code 21: Ignition Signal Circuit (Q45)

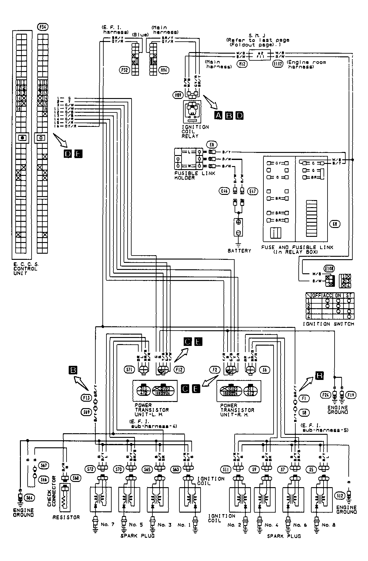
Fig 1: Q45 Code 21: Ignition Signal Circuit Diagram
G90G18701Courtesy of NISSAN MOTOR CO., U.S.A.
Fig 2: Q45 Code 21: Component Harness Connector Locations
G90H18702Courtesy of NISSAN MOTOR CO., U.S.A.
Fig 3: Q45 Code 21: Ignition Signal Flow Chart (1 of 2)
G90I18703Courtesy of NISSAN MOTOR CO., U.S.A.
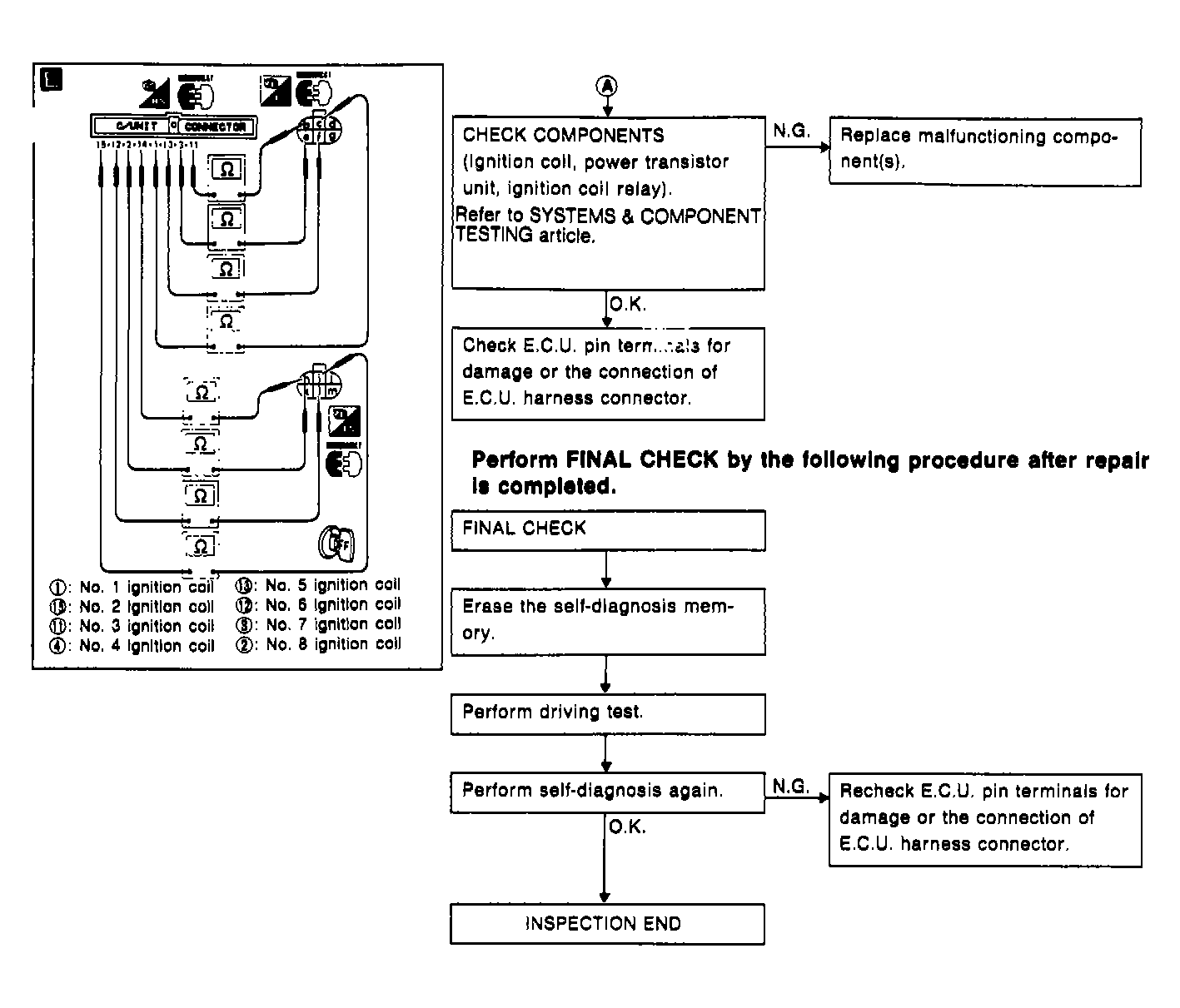
Fig 4: Q45 Code 21: Ignition Signal Flow Chart (2 of 2)
G90J18704Courtesy of NISSAN MOTOR CO., U.S.A.