LEMON Manuals: Even more car manuals for everyone: 1960-2025
Home >> Infiniti >> 1990 >> Q45 >> Repair and Diagnosis >> Engine Performance >> System >> Engine Controls - Tests W/Codes >> Code 51: Injector Circuit (Q45)
April 5, 2026: LEMON Manuals is launched! Read the announcement.

Code 51: Injector Circuit (Q45)

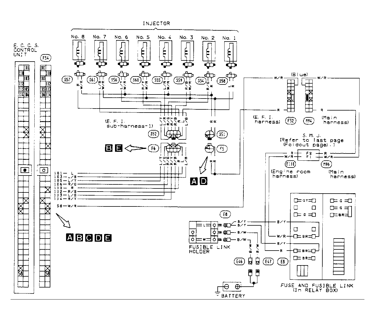
Fig 1: Q45 Code 51: Injector Circuit Diagram
G90E18725Courtesy of NISSAN MOTOR CO., U.S.A.
Fig 2: Q45 Code 51: Component Harness Connector Locations
G90F18726Courtesy of NISSAN MOTOR CO., U.S.A.
Fig 3: Q45 Code 51: Injector Flow Chart
G90G18727Courtesy of NISSAN MOTOR CO., U.S.A.