LEMON Manuals: Even more car manuals for everyone: 1960-2025
Home >> Infiniti >> 1991 >> G20 Standard >> Repair and Diagnosis >> Engine Performance >> System >> Engine Controls - Tests W/Codes >> Code Charts >> Code 11: Crank Angle Sensor
April 5, 2026: LEMON Manuals is launched! Read the announcement.

Code 11: Crank Angle Sensor

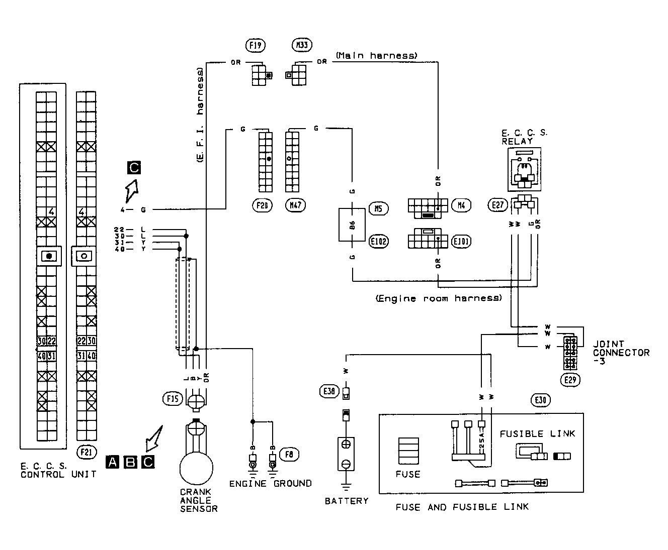
Fig 1: Code 11: Crank Angle Sensor Circuit Diagram
G91B17112Courtesy of NISSAN MOTOR CO., U.S.A.
Fig 2: Code 11: Crank Angle Sensor & ECU Harness Location
G91C17113Courtesy of NISSAN MOTOR CO., U.S.A.
Fig 3: Code 11: Crank Angle Sensor Flow Chart (1 of 2)
G91D17114Courtesy of NISSAN MOTOR CO., U.S.A.
Fig 4: Code 11: Crank Angle Sensor Flow Chart (2 of 2)
G91E17115Courtesy of NISSAN MOTOR CO., U.S.A.