LEMON Manuals: Even more car manuals for everyone: 1960-2025
Home >> Infiniti >> 1991 >> G20 Standard >> Repair and Diagnosis >> Engine Performance >> System >> Engine Controls - Tests W/Codes >> Code Charts >> Code 12: Airflow Meter
April 5, 2026: LEMON Manuals is launched! Read the announcement.

Code 12: Airflow Meter

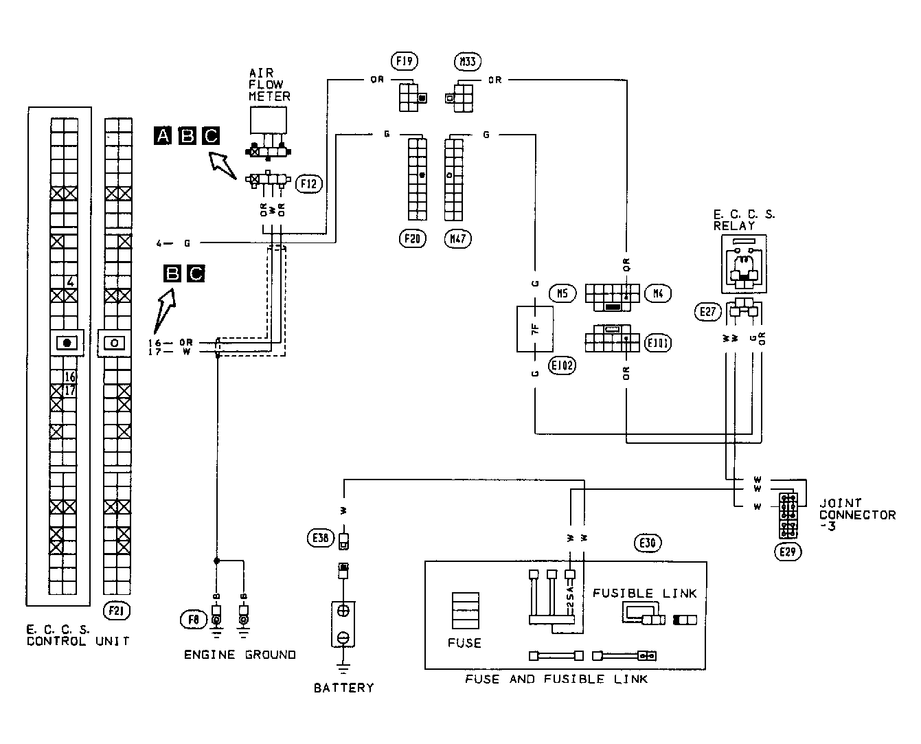
Fig 1: Code 12: Airflow Meter Circuit Diagram
G91H17118Courtesy of NISSAN MOTOR CO., U.S.A.
Fig 2: Code 12: Airflow Meter & ECU Harness Location
G91I17119Courtesy of NISSAN MOTOR CO., U.S.A.
Fig 3: Code 12: Airflow Meter Flow Chart (1 of 2)
G91F17116Courtesy of NISSAN MOTOR CO., U.S.A.
Fig 4: Code 12: Airflow Meter Flow Chart (2 of 2)
G91G17117Courtesy of NISSAN MOTOR CO., U.S.A.