LEMON Manuals: Even more car manuals for everyone: 1960-2025
Home >> Infiniti >> 1991 >> Q45 Base >> Repair and Diagnosis >> Engine Performance >> System >> Engine Controls - Tests W/Codes >> Diagnostic Code Charts >> Code 21: Ignition Signal Circuit
April 5, 2026: LEMON Manuals is launched! Read the announcement.

Code 21: Ignition Signal Circuit

Fig 1: Code 21: Ignition Signal Ckt. ECU Connector
G91J17375Courtesy of NISSAN MOTOR CO., U.S.A.
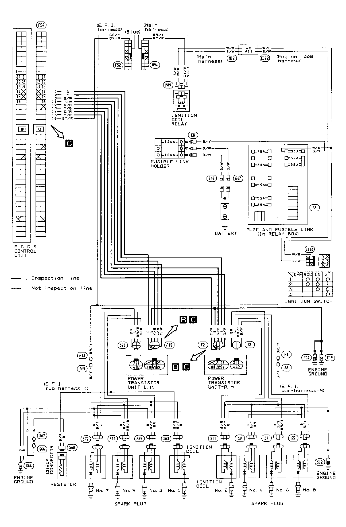
Fig 2: Code 21: Ignition Signal Ckt. Circuit Diagram
G91A17376Courtesy of NISSAN MOTOR CO., U.S.A.
Fig 3: Code 21: Ignition Signal Ckt. Harness Location (1 of 2)
G91B17377Courtesy of NISSAN MOTOR CO., U.S.A.
Fig 4: Code 21: Ignition Signal Ckt. Harness Location (2 of 2)
G91C17378Courtesy of NISSAN MOTOR CO., U.S.A.
Fig 5: Code 21: Ignition Signal Ckt. Flow Chart
G91D17379Courtesy of NISSAN MOTOR CO., U.S.A.