LEMON Manuals: Even more car manuals for everyone: 1960-2025
Home >> Infiniti >> 1991 >> Q45 Base >> Repair and Diagnosis >> Engine Performance >> System >> Engine Controls - Tests W/Codes >> Diagnostic Code Charts >> Code 34: Knock (Detonation) Sensor
April 5, 2026: LEMON Manuals is launched! Read the announcement.

Code 34: Knock (Detonation) Sensor

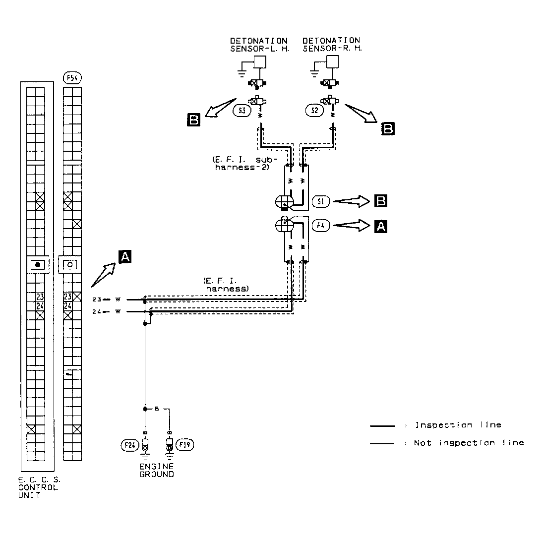
Fig 1: Code 34: Knock Sensor Circuit Diagram
G91J17383Courtesy of NISSAN MOTOR CO., U.S.A.
Fig 2: Code 34: Knock Sensor & ECU Harness Location
G91A17384Courtesy of NISSAN MOTOR CO., U.S.A.
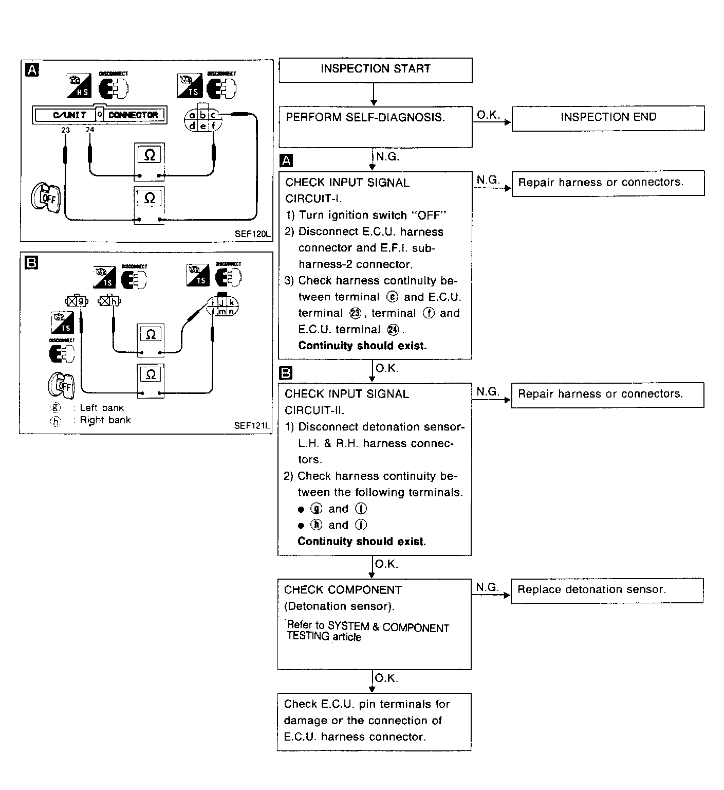
Fig 3: Code 34: Knock Sensor Flow Chart (1 of 2)
G91B17385Courtesy of NISSAN MOTOR CO., U.S.A.
Fig 4: Code 34: Knock Sensor Flow Chart (2 of 2)
G91C17386Courtesy of NISSAN MOTOR CO., U.S.A.