LEMON Manuals: Even more car manuals for everyone: 1960-2025
Home >> Infiniti >> 1992 >> Q45 Base >> Repair and Diagnosis >> Brakes >> Traction Control >> Traction Control System >> Description & Operation >> TCS Operation >> TCS Is Not Operating
April 5, 2026: LEMON Manuals is launched! Read the announcement.

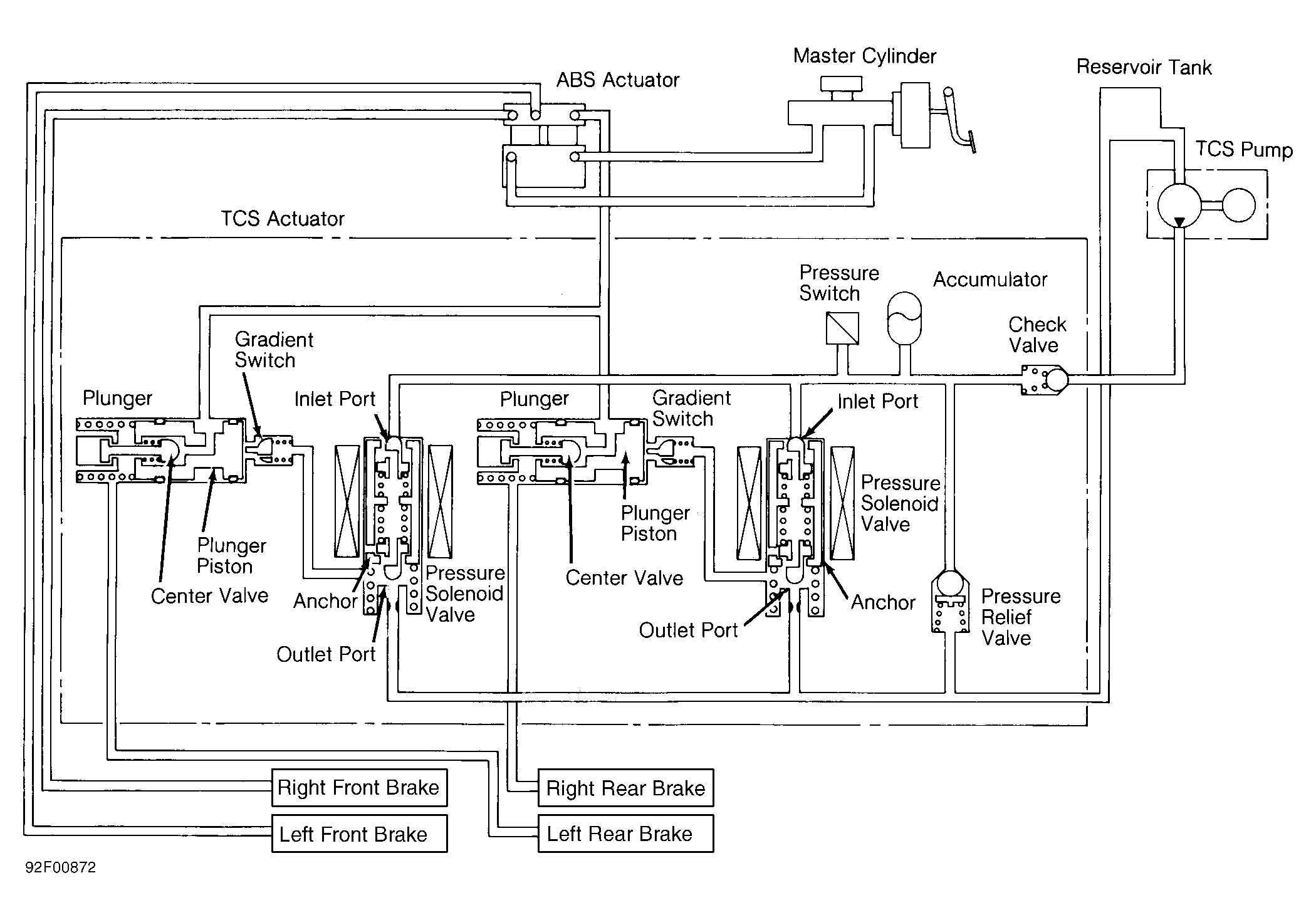
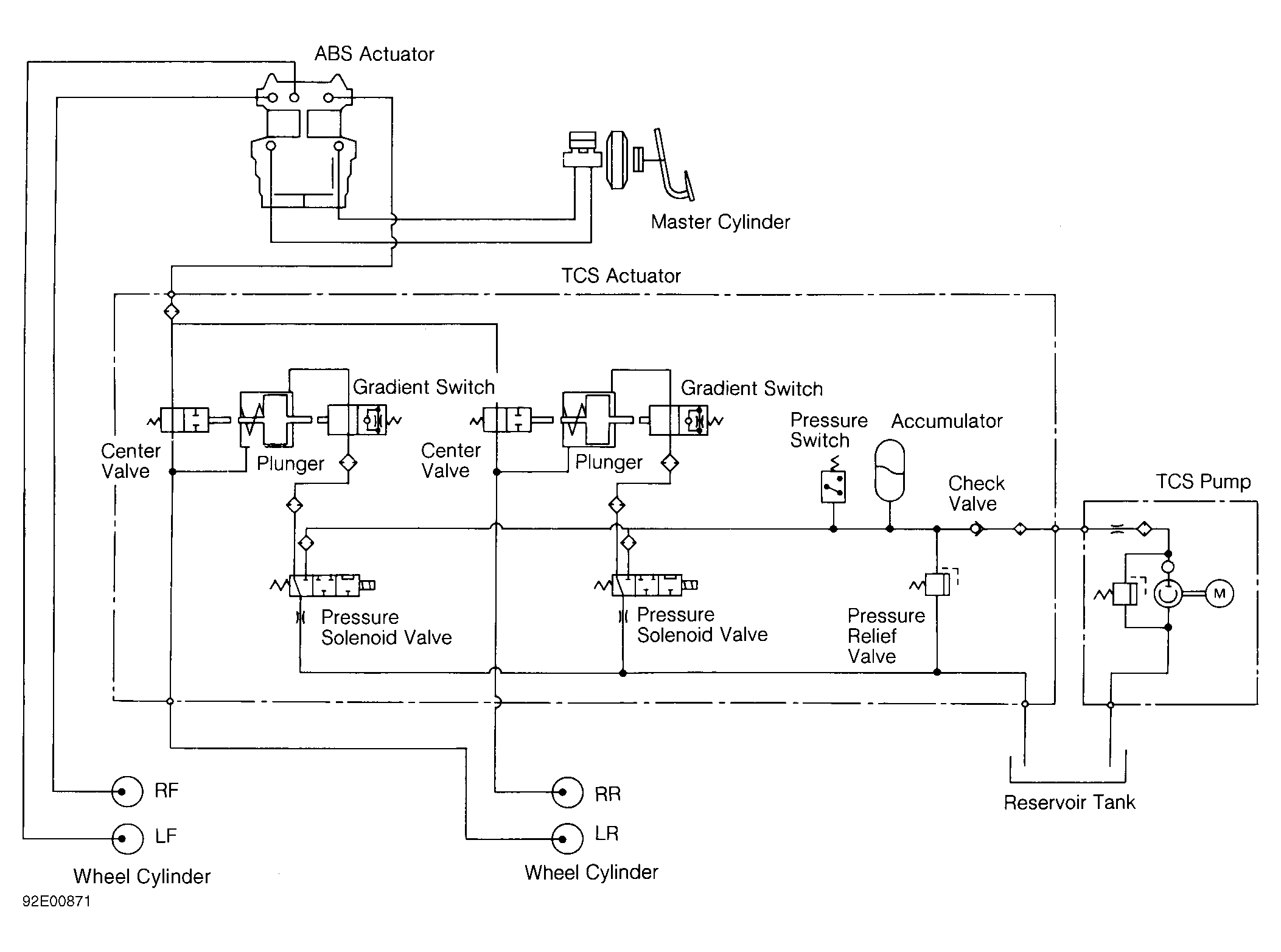
TCS Is Not Operating

Without any current to the pressure solenoid valve the anchor will not move to open the inlet port. This does not allow TCS operating oil to push plunger piston. The plunger piston pushes on the gradient switch side with a spring so that center valve opens. Brake operating fluid pressure passes from master cylinder through ABS actuator, through center valve to rear brake (left or right). See Figure and Figure .