LEMON Manuals: Even more car manuals for everyone: 1960-2025
Home >> Infiniti >> 1992 >> Q45 Base >> Repair and Diagnosis >> Brakes >> Traction Control >> Traction Control System >> Wiring Diagrams
April 5, 2026: LEMON Manuals is launched! Read the announcement.

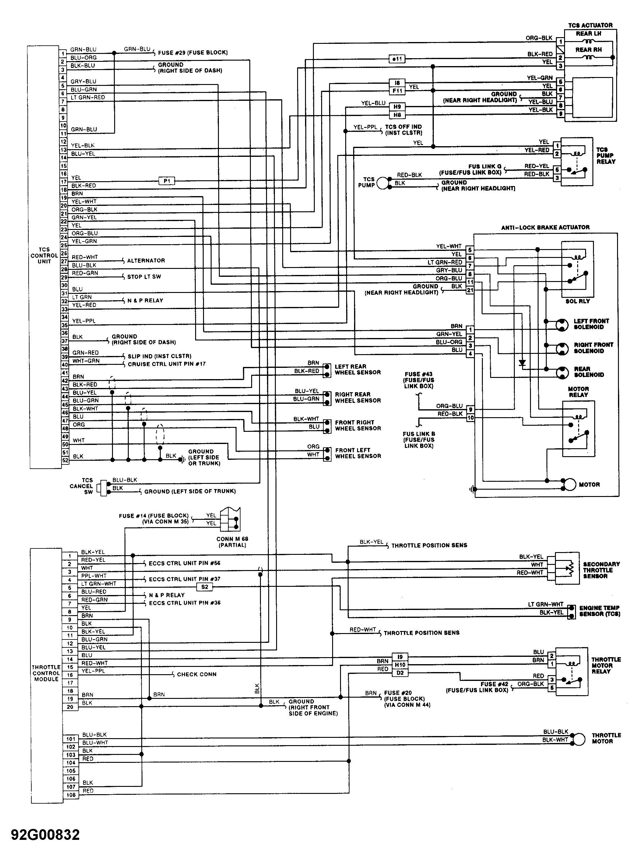
Wiring Diagrams

Fig 1: TCS Wiring Diagram
G92G00832Courtesy of NISSAN MOTOR CO., U.S.A.