LEMON Manuals: Even more car manuals for everyone: 1960-2025
Home >> Infiniti >> 1993 >> J30 >> Repair and Diagnosis >> Brakes >> Traction Control >> Anti-Lock Brake System >> Diagnosis & Testing >> Preliminary Checks >> Notes
April 5, 2026: LEMON Manuals is launched! Read the announcement.

Preliminary Checks: Notes

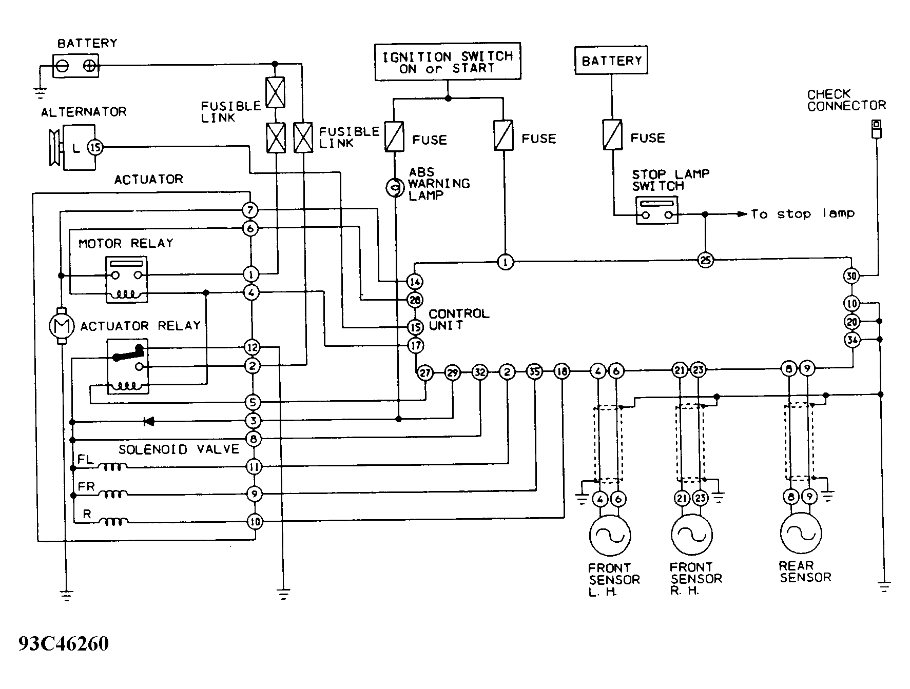
NOTE: Before starting ABS system checks, road test vehicle to confirm customer complaint. See illustrations for component location, ABS control unit terminal identification and wiring schematic. See Figure and Figure . Also see WIRING DIAGRAM at end of article.