LEMON Manuals: Even more car manuals for everyone: 1960-2025
Home >> Infiniti >> 1993 >> Q45 Base >> Repair and Diagnosis >> Brakes >> Traction Control >> Traction Control System >> Wiring Diagrams
April 5, 2026: LEMON Manuals is launched! Read the announcement.

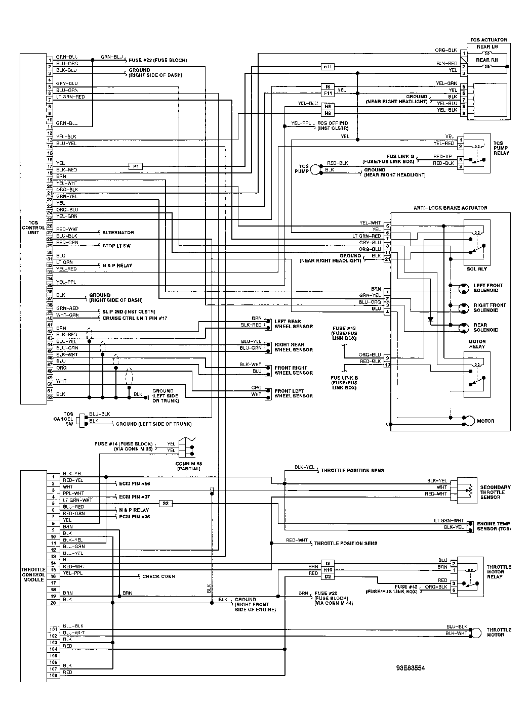
Wiring Diagrams

Fig 1: TCS Wiring Diagram (Q45)
G93E83554