LEMON Manuals: Even more car manuals for everyone: 1960-2025
Home >> Infiniti >> 2002 >> G20 Automatic, RE4F03W >> Repair and Diagnosis >> Accessories & Equipment >> Anti-Theft Systems >> Multi-Remote Control System >> Multi-Remote Control System >> Schematic
April 5, 2026: LEMON Manuals is launched! Read the announcement.

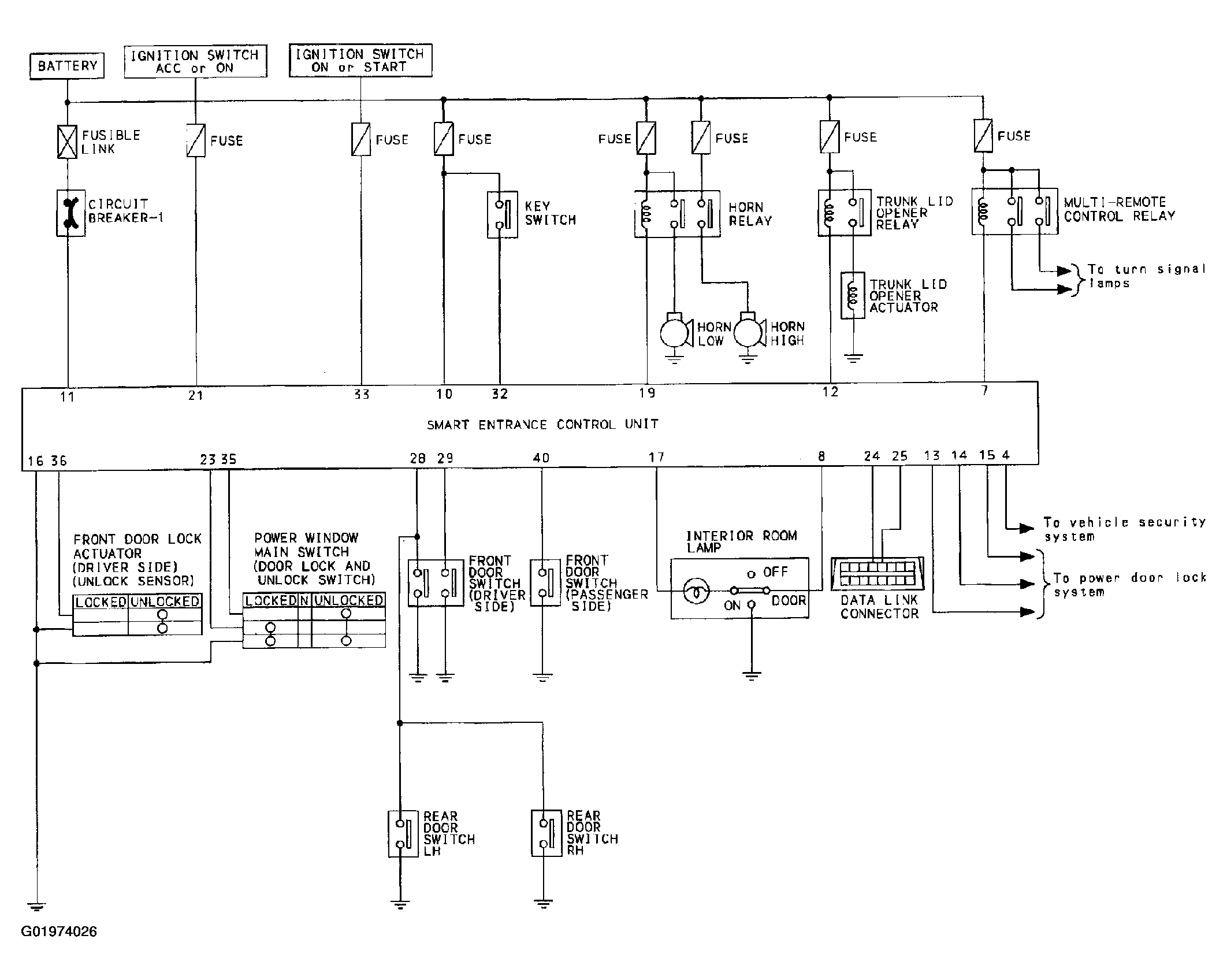
Multi-Remote Control System: Schematic

Fig 1: Schematic Diagram
G01974026Courtesy of NISSAN MOTOR CO., U.S.A.